+36703802792info@stand-up.hu 1103 Budapest Gyömrői út 51-53
kövess minket
Stand Up
  • Stand Tervezés és építés
    • Egyedi stand
    • Típus stand
    • Ügyintézés
    • Emeletes stand
    • Konferencia szervezés és építés
    • Expo/Kiállítás gyakori kérdések
  • Szolgáltatásaink
    • ÉLŐ Látványtervezés
    • Egyedi installációk készítése
    • Bútorlista
    • Belsőépítészet
    • Stand Marketing / Stand Aktivitás
  • Referenciák
    • Látványtervek
    • Standfotók
  • Kapcsolat
  • Főoldal
  • |
  • Referenciák
  • |
  • Látványtervek
  • |
  • 2013
  • |
  • Zalakerámia 2013

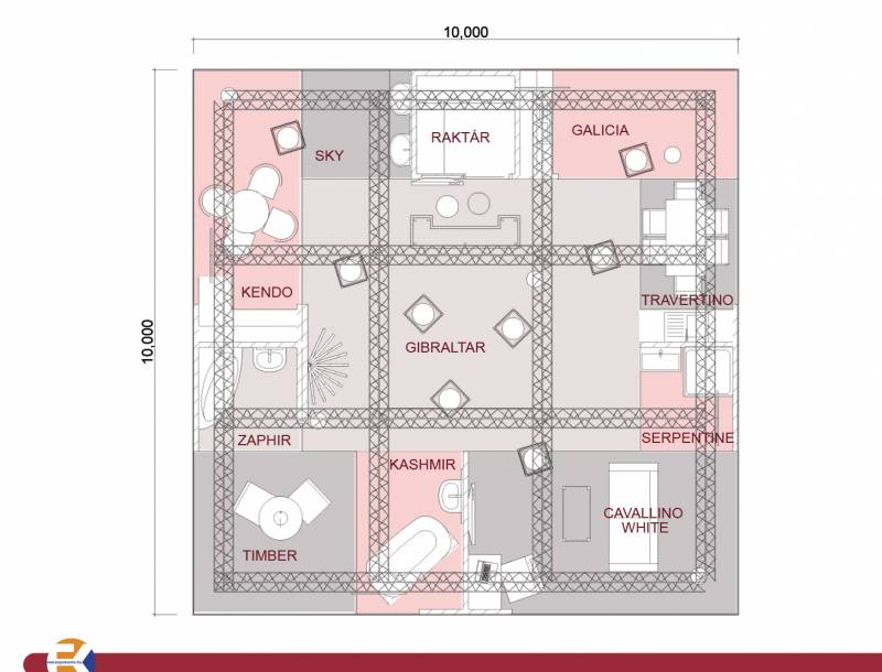
Zalakerámia 2013

Leírás

Egyedi megjelenés, különleges formák - az Ön igényei szerint!
Ha nagyméretűek a cég termékei, de mindegyiket külön szeretné bemutatni, ez a z Ön standja!
A standot különböző tematikákra osztó, vékony válaszfalakkal alakítottuk ki, így az egyes stílusok
megjelenése a szekciókban látványos.
A stílusokhoz igazodóan többféle burkolatot kaptak a részek. A falakba plazmatévéket építettünk,
különböző színűre festettük és grafikáztuk. A standon több helyen van tárgyalórész, ahol kényelmesen
leülve mutatják be a termékeket.
A másik látványelem a több ponton befüggesztett fríz céglogóval, középen befeszített ponyvával,
hogy senki ne tévessze el az irányt.
A bemutatott stand alapterülete 10 m x 10 m.

Teljeskörű kiállítással kapcsolatos ügyintézés

Kiállítási stand tervezés – 3D látványterv készítése, stand engedélyeztetés, szállítás, szőnyegezés, popup fal készítés, bútor kölcsönzés, növénydekoráció, Grafikai tervezés – molinók, zászlók készítése, számítógépes betűkivágás, kasírozás, egyéb nyomdai kivitelezések, kreatív megoldások, asztalos munkák, elektromos szerelés, belsőépítészeti tervezés, stand építés-bontás, plasztikus feliratok, raktározás, high-tech kiegészítők

25 éve a kivitelezésben
Menü
  • Stand Tervezés és építés
    • Egyedi stand
    • Típus stand
    • Ügyintézés
    • Emeletes stand
    • Konferencia szervezés és építés
    • Expo/Kiállítás gyakori kérdések
  • Szolgáltatásaink
    • ÉLŐ Látványtervezés
    • Egyedi installációk készítése
    • Bútorlista
    • Belsőépítészet
    • Stand Marketing / Stand Aktivitás
  • Referenciák
    • Látványtervek
    • Standfotók
  • Kapcsolat

Jogi nyilatkozat

Kapcsolat
kövess minket

1103 Budapest Gyömrői út 51-53

+36703802792

info@stand-up.hu

Iratkozzon fel hírlevelünkre!
Minden jog fenntartva. 2026. Az oldalon található képanyagok az Expo Konto Kft tulajdonát képezik, felhasználásuk csak cégünk jóváhagyásával lehetséges.
TotalStudio